塑料离心通风机-PP塑料离心风机-广州市万通通风设备有限公司

上一页下一页

联系我们

名称:广州市万通通风设备有限公司 电话: 手机: 传真: 邮箱:wantongfj@qq.com 网址: 地址:广州市番禺区沙湾镇动车街33号之二

塑料离心通风机

您的位置: 首页 产品中心 PP塑料离心风机
塑料离心通风机
  • 塑料离心通风机

PP塑料防腐蚀离心风机 抽排电镀化工酸碱盐腐蚀气体通风机

  • 产品名称:PP4-62C型聚丙烯离心通风机
    产品简介: 该系列风机参照金属4-62性能参数采用聚丙烯板,加热压模焊接而成。
    产品用途: 可输送含酸碱成分及化学成分的腐蚀性有毒气体。
    产品优势:该系列风机具有耐化学腐蚀、不易老化、比重小、机械振动小、噪音低、运转平稳等特点。
    适用场合:广泛应用于科研、化工、冶金、电子、医药、纺织、仪表、电镀、矿山、学校酒店、宾馆、实验室、环保配套设备等含有腐蚀性气体的场所。
资料下载: 技术参数 使用手册
  • 服务承诺:
  • 01 按时发货
  • 02 保证正品
  • 03 一年保修
  • 04 终身售后
  • 产品详情
    联系我们
    • PP4-62C型聚丙烯离心通风机

      PP4-62C型聚丙烯离心通风机参照金属4-62性能参数采用聚丙烯板,加热压模焊接而成。其广泛应用于科研、化工、冶金、电子、医药、纺织、仪表、电镀、矿山、学校酒店、宾馆、实验室、环保配套设备等行业中作通风换气排除酸碱性等有害气体通风之用。但不允许输送含芳香族化合物、脂肪族与芳香族碳氢化合物的卤素衍生物、酮类等腐蚀性气体。具有耐化学腐蚀、不易老化、比重小、机械振动小、噪音低、运转平稳等特点。其所输送气体不允许含有粘性物质、所含粉尘及硬质颗粒≤150mg/m3、气体温度50℃、相对湿度≤100%。且避免阳光暴晒、风机现场附近不得有热源。
    • PP4-62C polypropylene centrifugal fan series

      The PP4-62 polypropylene centrifugal fan is made of polypropylene plate and heating die according to the metal 4-62 performance parameters. It is widely used in research, chemical, metallurgy, electronics, medicine, textile, instrumentation, electroplating, mining, school hotels, hotels, laboratories, environmental protection equipment and other industries for ventilation and ventilation to eliminate harmful gases such as acid and alkali. . However, it is not allowed to transport a corrosive gas such as a halogen derivative containing an aromatic compound, an aliphatic or an aromatic hydrocarbon, or a ketone. It has the characteristics of chemical corrosion resistance, aging resistance, small specific gravity, low mechanical vibration, low noise and stable operation. The gas to be transported is not allowed to contain viscous substances, dust and hard particles ≤150mg/m3, gas temperature 50°C, relative humidity ≤100%. And avoid sun exposure, there must be no heat source near the fan site.
    机 号
    Model(No)
    功 率
    Power(Kw)
    转 速
    Speed(r/min)
    流 量
    Volume(M3/h)
    全 压
    Pressure(Pa)
    6C 4 1450 8000-11000 1274-686
    1.5 960 4420-8841 498-317
    7C 7.5 1450 10500-16500 1580-980
    3 960 6650-11000 650-425
    8C 5.5 960 10478-19428 887-651
    10C 7.5 800 16800-23560 850-720

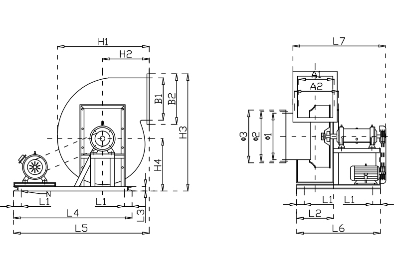
    外形及安装尺寸示意图 Lnstallation size diagram
    PP4-62型聚丙烯离心通风机安装尺寸

    产品为人工实物测量会有一定误差,一切以收到的实物为准。 单位Unit: mm(毫米)

    机 号
    进风口 Air inlet 出风口 Vent 外形尺寸 Shape size 底架尺寸 Bottom frame size
    NO Φ1 Φ2 Φ3 A1 A2 B1 B2 H1 H2 H3 H4 L5 L7 L1 L2 L3 L4 L6 N
    6C 387 437 487 345 456 403 518 940 450 1295 570 1250 988 100 420 60 1000 720 M12
    7C 443 498 553 406 519 472 584 1005 497 1405 880 1470 1168 158 424 60 1405 880 M12
    8C 525 588 648 468 597 546 683 1210 630 1685 975 1690 1350 193 550 75 1400 1100 M12

    欢迎进入“万通风机”官方网站

    Welcome to Wantong Xingfeng official website

    万通风机

    广州市万通通风设备有限公司

    广州市万通通风设备有限公司(注册商标:万通星风)是一家研发、生产、销售、安装通风设备、大气污染防治设备的多元化专业性企业。产品广泛用于:电镀、化工、电子、电气、线路板、机械、电站、电厂、科研、医院、实验室、矿业、冶炼、橡胶、林业、皮革、纸业、陶瓷、模具车间、汽车制造,新能源机械等配套以及各种含有腐蚀性气体的场合。每一个产品都见证了万通的品质,让万通立足全国,走向世界!经过十几年发展“万通星风”已汇聚了一群技术精湛,经验丰富的专业技术人员,引进消化国内外先进技术,是国内拥有自主研发大气污染防治设备、防腐风机能力的厂家。“国际品质、万通打造”

    全国服务热线:


    广州总公司

    Guangzhou General Corporation

    销售电话:    

    官方网址:

    电子邮箱:wantongfj@qq.com

    在线QQ客服:万通在线客服 万通在线客服

    地址:广州市番禺区沙湾镇动车街33号之二

    路线:广州地铁3号线到番禺广场站下,换乘公交车番68路、到古东村总站下。


    公司地图


    Company map

     
    关键词:

    咨询:PP4-62型塑料离心通风机

    * 为必填项

    • *
    四川塑料离心通风机厂家 陕西塑料离心通风机型号 内蒙古塑料离心通风机报价 广东塑料离心通风机价格 西藏塑料离心通风机分类 四川塑料离心通风机哪家好 辽宁塑料离心通风机批发 西藏塑料离心通风机定制 青海塑料离心通风机系列 山东塑料离心通风机品牌 青海塑料离心通风机牌子 陕西塑料离心通风机应用 青海塑料离心通风机生产 辽宁塑料离心通风机排名 新疆塑料离心通风机供应商 青海塑料离心通风机订制 陕西塑料离心通风机工艺流程 山东塑料离心通风机多少钱 湖北塑料离心通风机质量 宁夏塑料离心通风机生产厂家 辽宁塑料离心通风机生产厂 四川塑料离心通风机图纸怎么看 河南塑料离心通风机产品 北京塑料离心通风机标准 甘肃塑料离心通风机优势 四川塑料离心通风机画册 东南亚塑料离心通风机名称 广东塑料离心通风机用途 内蒙古塑料离心通风机企业 内蒙古塑料离心通风机功能 其它塑料离心通风机属性 安徽塑料离心通风机简介 贵州塑料离心通风机新产品 黑龙江塑料离心通风机万通造 山东塑料离心通风机选型 新疆塑料离心通风机规格 新疆塑料离心通风机样本 广西塑料离心通风机技术 其它塑料离心通风机新闻 广东塑料离心通风机报价单 辽宁塑料离心通风机参数 宁夏塑料离心通风机行业 吉林塑料离心通风机好东西! 天津塑料离心通风机销售 山西塑料离心通风机样品 上海塑料离心通风机用什么做的? 海南塑料离心通风机哪个牌子好 安徽塑料离心通风机设计方案 湖南塑料离心通风机哪家信誉好 湖北塑料离心通风机直销 黑龙江塑料离心通风机生产工艺 其它塑料离心通风机外观 浙江塑料离心通风机优点 西藏塑料离心通风机特点 甘肃塑料离心通风机有限公司 山东塑料离心通风机安装图 新疆塑料离心通风机名称 东南亚塑料离心通风机销售网站 湖南塑料离心通风机厂家排名 内蒙古塑料离心通风机外壳 广西塑料离心通风机叶片 黑龙江塑料离心通风机风轮 山西塑料离心通风机尺寸 内蒙古塑料离心通风机说明书 贵州塑料离心通风机检测报告 其它塑料离心通风机图纸 安徽塑料离心通风机图片 海南塑料离心通风机用途 云南塑料离心通风机维修 四川塑料离心通风机更换 江苏塑料离心通风机品种 福建塑料离心通风机改良 山西塑料离心通风机噪音 新疆塑料离心通风机启动 四川塑料离心通风机运转 青海塑料离心通风机推荐 云南塑料离心通风机那家便宜 其它塑料离心通风机那家质量好 山东塑料离心通风机电话咨询 河北塑料离心通风机标准 湖北塑料离心通风机哪家靠谱 上海塑料离心通风机是什么? 黑龙江塑料离心通风机哪家有实力 天津塑料离心通风机哪家正规 安徽塑料离心通风机大厂 陕西塑料离心通风机推广 云南塑料离心通风机哪家实惠 新疆塑料离心通风机哪里专业 辽宁塑料离心通风机电话多少 广西塑料离心通风机电话号码 福建塑料离心通风机哪家值得信赖 内蒙古塑料离心通风机你知道吗? 东南亚塑料离心通风机专业定制 黑龙江塑料离心通风机哪家强 安徽塑料离心通风机免费咨询 广东塑料离心通风机寿命 山西塑料离心通风机包装 青海塑料离心通风机设备 其它塑料离心通风机使用情况 陕西塑料离心通风机调整 四川塑料离心通风机配套 湖南塑料离心通风机有什么用 福建塑料离心通风机服务热线 新疆塑料离心通风机怎么做?

    返回顶部

    留言板

    广州市万通通风设备有限公司

    在线咨询

    ONLINE CONSUL TATION