不锈钢高压风机-不锈钢高压风机-广州市万通通风设备有限公司

上一页下一页

联系我们

名称:广州市万通通风设备有限公司 电话: 手机: 传真: 邮箱:wantongfj@qq.com 网址: 地址:广州市番禺区沙湾镇动车街33号之二

不锈钢高压风机

您的位置: 首页 产品中心 不锈钢高压风机
产品详情
联系我们
  • 不锈钢9-19高压离心风机

    9-19型高压离心式通风机一般用于锻冶炉及高压强制通风机,可广泛用于输送物料,输送空气及无腐蚀性不自然,不含粘性物质及气体。介质温度一般不超过50℃(最高不超过80℃)。介质中所含尘土及颗粒不大于150mg/m3
    产品型式:本厂机号有NO3.15、3.55、4、4.5、5、5.6、6.3、7.1八种。可制成右旋和左旋两种型式,叶轮顺时针旋转,称为右旋风机。以“右”表示,叶轮逆时针旋转,称为左旋风机,以“左”表示。风机的出口位置,以机壳的出风角度表示,9-19型风机NO3.15~7.1出厂时均做成多种型式,可根据使用单位要求安装成所需的位置,即出风口位置调整范围0°~225°或45°,即(0°、45°、90°、135°、180°、225°)共六种。NO7.1根据用户需求制成一种方向角度。风机的传动方式为A式(NO3.15~6.3)和D式NO7.1两种。
    结构特点:本风机主要由叶轮、机壳、进风口、机架、底架、轴承箱等皮带传动而组成。叶轮:由10个后倾的机翼型叶片、曲线型前盘和平板后盘组成,并经过动平衡校正,气动性能,故运转平衡、振动小、效率高、寿命长等特点。机壳:用钢板焊成蜗型壳体。进风口:制成整体(全部模具成型),装于风机的侧面,于轴向平行的戴面为曲线形状,能使气体顺利进入叶轮,且损失较小。传动组:由主轴、轴承箱、联轴器等。主轴由优质钢制成,轴承箱整体结构,采用滚动轴承,分为水冷和油冷两种。
  • High pressure centrifugal fan

    9-19 high pressure centrifugal fan is generally usedforforging furnace and high pressure forced fan, can bewidely used in conveying materials, conveying air andnon-corrosive nature, non-sticky substances and gases. The medium temperature is generally not more than 50℃ with maximum below80℃. The concentration of mediacontaining dust and particles is not more than 150mg/m3.Product type: The factory number is NO3.15, 3.55, 4, 4.5, 5, 5.6, 6.3, 7.1. It can be made into two types: right-handed and left-handed. The impeller rotates clockwise and is called a right-handed fan. Expressed as "right", the impeller rotates counterclockwise, called the left-handed fan, and is represented by "left". The outlet position of the fan is expressed by the air outlet angle of the casing. The 9-19 type fan NO3.15~7.1 is made into various types when it leaves the factory. It can be installed to the required position according to the requirements of the unit, that is, the position of the air outlet is adjusted. The range is 0°~225° or 45°, that is, (0°, 45°, 90°, 135°, 180°, 225°). NO7.1 is made into a direction angle according to user requirements. The transmission mode of the fan is A type (NO3.15~6.3) and D type NO7.1.Structural features: The fan is mainly composed of impeller, casing, air inlet, frame, chassis, bearing box and other belt drives. Impeller: It consists of 10 backward-inclined airfoil blades, curved front plate and flat rear plate. It has dynamic balance correction and aerodynamic performance, so it has the characteristics of balanced operation, small vibration, high efficiency and long service life. Housing: welded with a steel plate into a volute casing. Air inlet: made into a whole (all mold molding), installed on the side of the fan, and the axially parallel wearing surface has a curved shape, which enables the gas to smoothly enter the impeller with less loss. Transmission group: from the main shaft, bearing housing, coupling and so on. The main shaft is made of high-quality steel. The overall structure of the bearing housing is made of rolling bearings and is divided into water-cooling and oil-cooling.
机 号
Model(NO)
转 速
Speed(r/min)
功 率
Power(KW)
机座号
Poles frame size-p
流 量
Volume(M3/h)
全 压
Total pressure(pa)
3.15A 2900 0.75-2 Y132S-2 402-545 2223-2262
2900 1.1-2 Y80M-2 617-832 2231-2017
3.55A 2900 1.5-2 Y90S-2 560-760 2545-2590
2900 2.2-2 Y90L-2 860-1160 2554-2310
4A 2900 2.2-2 Y90L-2 824-1264 3584-3597
2900 3.0-2 Y100L-2 1410-1704 3507-3253
4.5A 2900 4.0-2 Y112M-2 1174-2062 4603-4447
2900 5.5-2 Y132S-2 2281-2504 4297-4112
5A 2900 7.5-2 Y132S-2 1610-2844 5697-5517
2900 11.0-2 Y160M-2 3166-3488 5323-5080
5.6A 2900 11.0-2 Y160M-2 2622-3619 7182-7109
2900 18.5-2 Y160L-2 3996-4901 6954-6400
6.3A 2900 18.5-2 Y160L-2 3220-5153 9149-9055
2900 30.0-2 Y200L-2 5690-6978 8857-8148
7.1D 2900 37.0-2 Y200L-2 4610-7376 1171-11596
2900 55.0-2 Y250L-2 8144-9988 11340-10426

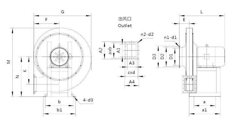
外形及安装尺寸示意图 Lnstallation size diagram



产品为人工实物测量会有一定误差,相关数据仅作参考,以收到的实物为准。 单位Unit: mm(毫米)

机号
进风口尺寸 Air inlet 出风口尺寸 Vent
Model D1 D2 D3 n1-d1 A1 A2 A3 A4 a*b c*d n2-d2
3.15 147 180 210 8-Φ8 107 168 93 154 69.5*2 60*2 8-Φ11
3.55 165 197 215 130 198 96 155 55*3 63*3 10-Φ11
4 186 211 244 135 202 110 170 57*3 70*2 10-Φ11
4.5 208 230 253 145 212 110 170 61*3 70.5*2 10-Φ11
5 227 258 285 163 230 133 194 66*3 81*2 10-Φ11
5.6 258 285 305 193 251 163 223 75*3 64.3*3 12-Φ11
6.3 290 323 350 205 270 165 226 81*3 65*3 12-Φ11
7.1 326 355 395 8-Φ11 227 294 163 232 54*5 69*3 16-Φ11

机号
外形及安装尺寸 Shape and installation dimensions
Model G M L F N K E a b a1 b1 d1
3.15 484 586 362 221 336 234 74 330 120 355 245 Φ11
3.55 549 660 397 255 370 254 86 365 140 397 260
4 620 700 466/426 283 400 286 98 350 200 385 360
4.5 692 780 567/492 325 450 330 109 390 240 430 410
5 763 880 706/576 362 500 352 120 450 340 500 440
5.6 820 980 768/723 367 570 400 133 484 350 532 447
6.3 933 1100 908/783 426 645 450 148 570 450 625 567
7.1 1037 1230 870 460 690 508 170 600 480 710 570 Φ20

欢迎进入“万通风机”官方网站

Welcome to Wantong Xingfeng official website

万通风机

广州市万通通风设备有限公司

广州市万通通风设备有限公司(注册商标:万通星风)是一家研发、生产、销售、安装通风设备、大气污染防治设备的多元化专业性企业。产品广泛用于:电镀、化工、电子、电气、线路板、机械、电站、电厂、科研、医院、实验室、矿业、冶炼、橡胶、林业、皮革、纸业、陶瓷、模具车间、汽车制造,新能源机械等配套以及各种含有腐蚀性气体的场合。每一个产品都见证了万通的品质,让万通立足全国,走向世界!经过十几年发展“万通星风”已汇聚了一群技术精湛,经验丰富的专业技术人员,引进消化国内外先进技术,是国内拥有自主研发大气污染防治设备、防腐风机能力的厂家。“国际品质、万通打造”

全国服务热线:


广州总公司

Guangzhou General Corporation

销售电话:    

官方网址:

电子邮箱:wantongfj@qq.com

在线QQ客服:万通在线客服 万通在线客服

地址:广州市番禺区沙湾镇动车街33号之二

路线:广州地铁3号线到番禺广场站下,换乘公交车番68路、到古东村总站下。


公司地图


Company map

 
关键词:

咨询:9-19型不锈钢高压风机

* 为必填项

  • *
湖南不锈钢高压风机厂家 山东不锈钢高压风机型号 湖南不锈钢高压风机报价 江苏不锈钢高压风机价格 陕西不锈钢高压风机分类 广东不锈钢高压风机哪家好 西藏不锈钢高压风机批发 西藏不锈钢高压风机定制 辽宁不锈钢高压风机系列 贵州不锈钢高压风机品牌 贵州不锈钢高压风机牌子 其它不锈钢高压风机应用 山东不锈钢高压风机生产 西藏不锈钢高压风机排名 上海不锈钢高压风机供应商 北京不锈钢高压风机订制 海南不锈钢高压风机工艺流程 四川不锈钢高压风机多少钱 甘肃不锈钢高压风机质量 湖北不锈钢高压风机生产厂家 其它不锈钢高压风机生产厂 宁夏不锈钢高压风机图纸怎么看 重庆不锈钢高压风机产品 甘肃不锈钢高压风机标准 天津不锈钢高压风机优势 河南不锈钢高压风机画册 宁夏不锈钢高压风机名称 内蒙古不锈钢高压风机用途 新疆不锈钢高压风机企业 湖北不锈钢高压风机功能 东南亚不锈钢高压风机属性 安徽不锈钢高压风机简介 江苏不锈钢高压风机新产品 福建不锈钢高压风机万通造 吉林不锈钢高压风机选型 江西不锈钢高压风机规格 北京不锈钢高压风机样本 海南不锈钢高压风机技术 东南亚不锈钢高压风机新闻 宁夏不锈钢高压风机报价单 青海不锈钢高压风机参数 河北不锈钢高压风机行业 青海不锈钢高压风机好东西! 陕西不锈钢高压风机销售 北京不锈钢高压风机样品 广东不锈钢高压风机用什么做的? 贵州不锈钢高压风机哪个牌子好 黑龙江不锈钢高压风机设计方案 吉林不锈钢高压风机哪家信誉好 重庆不锈钢高压风机直销 江苏不锈钢高压风机生产工艺 河北不锈钢高压风机外观 辽宁不锈钢高压风机优点 云南不锈钢高压风机特点 黑龙江不锈钢高压风机有限公司 四川不锈钢高压风机安装图 内蒙古不锈钢高压风机名称 江西不锈钢高压风机销售网站 陕西不锈钢高压风机厂家排名 浙江不锈钢高压风机外壳 河北不锈钢高压风机叶片 陕西不锈钢高压风机风轮 广西不锈钢高压风机尺寸 海南不锈钢高压风机说明书 江苏不锈钢高压风机检测报告 山西不锈钢高压风机图纸 青海不锈钢高压风机图片 黑龙江不锈钢高压风机用途 黑龙江不锈钢高压风机维修 重庆不锈钢高压风机更换 内蒙古不锈钢高压风机品种 山东不锈钢高压风机改良 天津不锈钢高压风机噪音 东南亚不锈钢高压风机启动 青海不锈钢高压风机运转 山东不锈钢高压风机推荐 北京不锈钢高压风机那家便宜 湖南不锈钢高压风机那家质量好 宁夏不锈钢高压风机电话咨询 新疆不锈钢高压风机标准 河北不锈钢高压风机哪家靠谱 福建不锈钢高压风机是什么? 广东不锈钢高压风机哪家有实力 宁夏不锈钢高压风机哪家正规 江西不锈钢高压风机大厂 宁夏不锈钢高压风机推广 江苏不锈钢高压风机哪家实惠 安徽不锈钢高压风机哪里专业 江西不锈钢高压风机电话多少 东南亚不锈钢高压风机电话号码 广东不锈钢高压风机哪家值得信赖 甘肃不锈钢高压风机你知道吗? 山东不锈钢高压风机专业定制 辽宁不锈钢高压风机哪家强 广西不锈钢高压风机免费咨询 福建不锈钢高压风机寿命 浙江不锈钢高压风机包装 贵州不锈钢高压风机设备 新疆不锈钢高压风机使用情况 广东不锈钢高压风机调整 内蒙古不锈钢高压风机配套 河北不锈钢高压风机有什么用 湖北不锈钢高压风机服务热线 湖南不锈钢高压风机怎么做?

返回顶部

留言板

广州市万通通风设备有限公司

在线咨询

ONLINE CONSUL TATION